

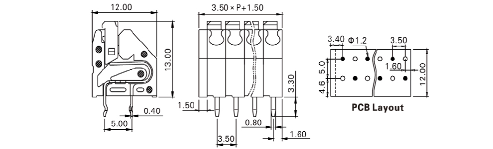
BASICPARAMETERS
| Pitch: | 3.50mm(7.00mm) |
| Rated voltage-UL: | 300V |
| Rated current-UL: | 8A |
| Rated voltage-IEC: | 250V |
| Rated current-IEC: | 2A |
| Wire range-UL: | 16-28AWG sol/str, 14AWG sol |
| Wire range-IEC: | 0.5-0.75mm² |
| Pole number: | 02~24P |
| Insulation Material: | PA66 UL94 V-0 |
| Material & Plating of Current carrier: | Copper alloy, Tin plated |
| Insulation Resistance: | 500MΩ or more at DC500V |
| Withstanding Voltage(1Min): | 1500V |
| Wire clamp unit Screw), Torque Max.: | - |
| Wire stripping length: | 9.0mm |
| Operating temperature: | -40℃ ~ +105℃ |
| Soldering recommend: | Wave soldering, 260℃ 5S Max (Single Wave), 260℃ 10S Max(Double Wave) |
| Approval: | |
| Product Name | Pitch | Pole number | Part No. | 3D Download | 2D Download |
| Fixed Terminal | 3.50mm | 02~24P | SM350-02C | ||
| Fixed Terminal | 7.00mm | 02~24P | SM700-02C |
| PRODUCT CATALOG | Terminal Selection Manual |
DIMENSION DRAWING
