

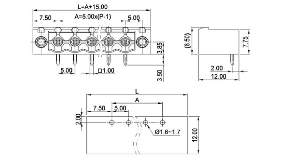
BASICPARAMETERS
| Pitch: | 5.00mm(5.08mm) |
| Rated voltage-UL: | 300V |
| Rated current-UL: | 16A |
| Rated voltage-IEC: | 320V |
| Rated current-IEC: | 20A |
| Wire range-UL: | - |
| Wire range-IEC: | - |
| Pole number: | 02~24P |
| Insulation Material: | PA66 UL94 V-0 |
| Material & Plating of Current carrier: | Copper alloy, Tin plated |
| Insulation Resistance: | 500MΩ or more at DC500V |
| Withstanding Voltage(1Min): | 2000V |
| Rated surge voltage: | 4000V |
| Wire clamp unit Screw, torque Max.: | - |
| Mounting Screw, torque: | - |
| Material of Clamp spring: | - |
| Wire stripping length: | - |
| Operating temperature: | -40℃ ~ +105℃ |
| Soldering recommend: | Wave soldering, 260℃ 5S |
| Approval: | |
| Product Name | Pitch | Pole number | Part No. | 3D Download | 2D Download |
| Plug-in Terminal | 5.00mm | 02~24P | SPB500-W00R | ||
| Plug-in Terminal | 5.08mm | 02~24P | SPB508-W00R |
| PRODUCT CATALOG | Terminal Selection Manual |
DIMENSION DRAWING
