

BASICPARAMETERS
| Pitch: | 2.50mm |
| Rated voltage-UL: | 150V |
| Rated current-UL: | 5A |
| Rated voltage-IEC: | - |
| Rated current-IEC: | - |
| Wire range-UL: | 20-2AWG |
| Wire range-IEC: | - |
| Pole number: | 02~24P |
| Insulation Material: | PA66 UL94 V-0 |
| Material & Plating of Current carrier: | Copper alloy, Tin plated |
| Insulation Resistance: | 500MΩ or more at DC500V |
| Withstanding Voltage(1Min): | - |
| Rated surge voltage: | - |
| Wire clamp unit Screw, torque Max.: | - |
| Material of Clamp spring: | - |
| Wire stripping length: | 8.0mm |
| Operating temperature: | -40℃ ~ +105℃ |
| Soldering recommend: | - |
| Approval: | |
| Product Name | Pitch | Pole number | Part No. | 3D Download | 2D Download |
| Plug-in Terminal | 2.50mm | 02~24P | SPA250-06 |
| PRODUCT CATALOG | Terminal Selection Manual |
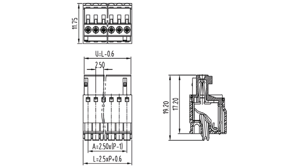
DIMENSION DRAWING
